中文 |  English    联系我们    返回首页
 
产品分类

 
产品展示
MR57HS 外部驱动式 Externally driven - Size 23 (1.8 ° Step Angle )

技术参数:

23HS-W参数图片.JPG

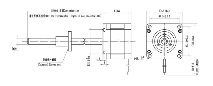
机械尺寸:mm

技术规格:

23HS-W丝杆图片.JPG

接线图:

image.png


客户定制:

1、丝杆长度可以定制,建议最大长度300(螺母有白色POM材料和铜材料可选)

2、根据客户使用的不同直线速度和推拉力,选择合适的电机机身以及螺杆规格(影响直线速度主因素是螺杆导程,如导程1mm,电机每旋转一圈就是螺杆运行1mm距离,关于直线电机负载可详细咨询我公司技术人员,以方便获取详细负载情况)

3、连接线束定制(引线、引线带端子、插座等形式)

1.jpg





首页  |  公司简介  |  产品展示  |  资料下载  |  新闻动态  |  技术文章  |  联系我们
常州市铭仁电机有限公司  版权所有  苏ICP备17050729号   常州迅捷网络设计制作-腾讯企业邮箱