中文 |  English    联系我们    返回首页
 
产品分类

 
产品展示
MR42HS中空轴步进电机系列:1.8°-Size 17

技术参数:

QQImage_28223108.jpg

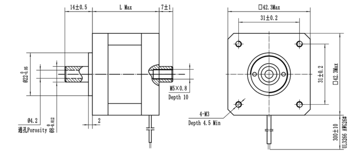
机械尺寸:mm

42HS中空步进电机图纸图片.png

技术规格:

42HS中空步进电机技术规格图片.png

接线图:

image.png

客户定制:

1、可定制出轴尺寸,以便客户更方便及适合设备连接使用

2、根据客户不同转速、力矩等要求定制线圈绕组的参数和机身尺寸

3、连接线束定制(引线、引线带端子、插座等形式)

1.jpg




首页  |  公司简介  |  产品展示  |  资料下载  |  新闻动态  |  技术文章  |  联系我们
常州市铭仁电机有限公司  版权所有  苏ICP备17050729号   常州迅捷网络设计制作-腾讯企业邮箱